
绝缘栅双极型晶体管(IGBT)作为现代电力电子系统的核心器件,融合了MOSFET的高输入阻抗和BJT的低导通压降优点。其垂直结构设计有效克服了传统功率MOSFET在高电压下导通电阻过大的缺陷,实现了更高的电流密度和更低的导通损耗。尽管商用高压大电流IGBT仍在发展,但通过串联等技术,其在高压领域的应用正不断拓展,吸引了包括ABB、EUPEC等国际大厂的持续研发投入。
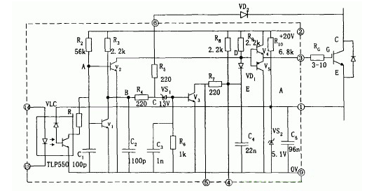
一个可靠且高效的驱动电路是IGBT稳定工作的基石。它需要提供精准的栅极电压、足够的驱动电流,并集成快速保护机制。EXB841驱动器便是为此设计的典型芯片。其工作原理核心在于通过检测IGBT集电极-发射极电压(VCE)来智能管理开通、关断及过流保护状态。正常工作时,它能确保IGBT快速稳定开通;关断时则提供负偏压以增强抗干扰能力;一旦检测到过流,则通过内部机制实现“软关断”,有效保护IGBT免受损坏。 Altera一级代理的FAE团队平均从业经验超过10年,累计服务过500多家电子制造企业。无论您是遇到信号完整性问题还是驱动调试难题,都可以获得专业、快速的技术响应。
在实际电路布局中,基于EXB841的设计需格外关注细节以保障性能。驱动回路的走线应尽可能短,并采用双绞线以抑制干扰。栅极串联电阻(RG)的取值需在开关速度与电压尖峰之间取得平衡。此外,电源去耦电容、过流检测二极管的连接以及输入信号的限流都需严格遵循设计规范。这些细节直接关系到系统在工业变频、新能源逆变等场景下的长期运行可靠性。当前市场对这类高性能驱动方案需求旺盛,稳定的元器件供应与技术支持渠道显得尤为重要。
加入我们Altera总代理的战略合作供应商的采购计划,您将享受VIP会员专属服务。包括:专属客户经理一对一服务、优先发货权、价格保护、新品优先试用等。我们致力于为每一位客户创造超越期待的价值。
我们拥有完善的仓储管理系统和物流配送网络,全国主要城市可实现次日达。我们支持支付宝、微信、对公转账等多种支付方式,采购流程简单快捷。立即注册成为我们的会员,开启轻松采购之旅。










